Basınçlı Hava Filtreleri Ve Elementleri
50 bar yüksek basınçlı hava filtreleri ve yağ buharı ayrıştırıcılarını kaynaksız, sağlam ve güvenilir alüminyumdan imal etmektedir. Yüksek Basınçlı Hava Filtreleri, kaynaksız tasarımı sayesinde oldukça sağlam ve dayanıklı bir yapıya sahip olmaktadır.
Ürün oldukça kalın bir kesite sahiptir ve bünyesinde bulunan son teknoloji ile donatılmış yüksek basınç test laboratuvarlarımız sayesinde performansları garanti altındadır. 50 bar azami çalışma basıncına sahip alüminyum yüksek basınç filtrelerinin iç ve dış yüzeyleri anot kaplamadır.
| Model | Tahliye Bağlantı Ölçüsü |
Debi | Maks. Çalışma Basıncı (barg) |
Element Modeli |
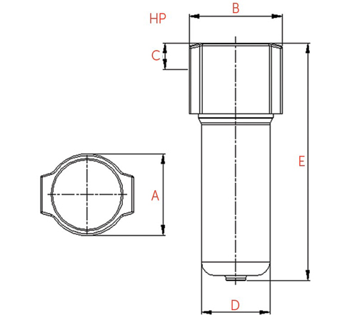
Ölçüler (mm) | |||||
| (m³/saat) | (scfm) | A | B | C | D | E | ||||
| DP100 | 1/4" | 71 | 42 | 50 | D25 | 106 | 119 | 30 | 88 | 201 |
| DP300 | 1/2" | 212 | 125 | 50 | D50 | 106 | 119 | 30 | 88 | 201 |
| DP600 | 3/4" | 425 | 250 | 50 | D100 | 106 | 119 | 30 | 88 | 201 |
| DP850 | 1" | 595 | 350 | 50 | D150 | 123 | 140 | 39,5 | 103 | 357 |
| DP1200 | 1" | 850 | 500 | 50 | D200 | 123 | 140 | 39,5 | 103 | 357 |
| DP1600 | 1 1/2" | 1600 | 940 | 50 | D250 | 123 | 140 | 39,5 | 103 | 357 |
| DP2500 | 2" | 2500 | 1470 | 50 | D2500 | 159 | 179 | 56 | 133 | 380 |
| DP3000 | 2 1/2" | 3000 | 1765 | 50 | D3000 | 159 | 179 | 56 | 133 | 380 |